在视频监控防雷器中,IN代表输入(Input)端口。这是防雷器的一个重要标识,用于指示防雷器的信号或电源接入端。具体来说,IN端口是防雷器与外部线路(如电源线、信号线等)连接的地方,用于接收来自外部的信号或电源,并将其引入防雷器内部进行处理。
功能与作用:
信号接入:在视频监控防雷器中,IN端口通常用于接入来自摄像头、视频切换器、分割器等监控器材的信号线。这些信号线在传输过程中可能会受到雷电等自然现象的影响,产生过电压或过电流,从而损坏设备。防雷器通过IN端口接收这些信号,并进行必要的防护处理。
电源接入:在某些情况下,视频监控防雷器还可能包含电源防雷功能,此时IN端口也可能用于接入电源线。电源线在传输电能时同样可能受到雷电等干扰,防雷器通过IN端口对电源线进行保护,确保设备的安全运行。
连接方式:
在安装视频监控防雷器时,需要将外部线路(信号线或电源线)的一端连接到防雷器的IN端口上,另一端则连接到被保护设备(如摄像头、视频切换器等)的相应端口上。这样,当外部线路受到雷电等干扰时,防雷器能够迅速响应并将过电压或过电流引导至地线或其他安全路径上,从而保护被保护设备不受损害。
注意事项:
在连接防雷器的IN端口时,应确保连接牢固可靠,避免出现松动或接触不良的情况。
同时,还需要注意防雷器的接线顺序和极性要求,确保接线正确无误。
此外,在使用过程中还应定期对防雷器进行检查和维护,确保其始终处于良好的工作状态。
综上所述,视频监控防雷器中的IN代表输入端口,是防雷器与外部线路连接的重要部分。通过IN端口接入的信号或电源在防雷器内部进行防护处理后输出给被保护设备使用,从而确保设备的安全运行。
■产品用途
视频信号防雷器主要用于沿视频信号线路侵入设备的雷电(过电压)防护,如视频监控设备(摄像机、视频监控器、光端机、显示器、有线电视、家用电视等)。
■产品特点
● 放电电流大,采用多级保护。
● 内置快速半导体保护器件,响应速度快,残压低。
● 核心元件采用国际知名品牌,性能优越。
● 节能、环保,安装简便,适用于各种标准接口类型。
● 插入损耗低,确保线路畅通。
● 驻波系数小,工作频率范围宽。
■技术参数
名称 | 型号 | 规格 | 接口类型 | 额定工作电压Un(V) | 最大持续工作电压Uc(V) | 电压保护水平Upx-x(V,1.2/50μs) | 传输特性 | 标称放电电流In(kA,8/20μs) | 最大放电电流Imax(kA,8/20μs) | 响应 时间tA(ns) | 插入损耗(dB) |
视频信号防雷器 | LKX-SV | BNC接口 | BNC | 5 | 6 | 40 | 10MHz | 5 | 10 | ≤1 | ≤0.5 |
LKX-SV | BNC接口、黄铜 | BNC | |||||||||
LKX-SV | 英制F接口 | F | |||||||||
LKX-SV | 英制F接口、黄铜 | F | |||||||||
LKX-SV | 公制F接口、黄铜 | F | |||||||||
LKX-SV | RF接口 | RF | |||||||||
LKX-SV | 导轨式BNC接口 | BNC | |||||||||
LKX-SV | SDI、BNC接口、黄铜 | BNC | 12 | 15 | 40 | 1.485Gbps | 3 | 6 |
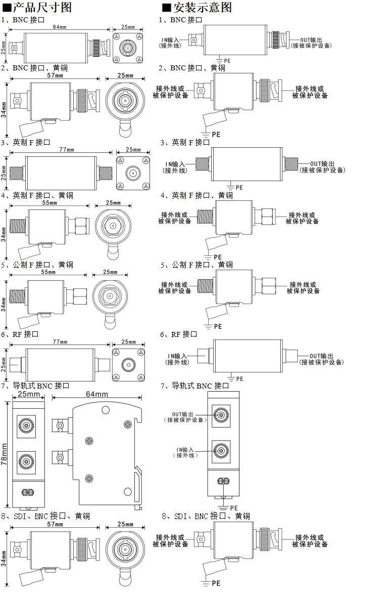
■安装说明
● 本产品为串联连接方式。
● 请选择与被保护设备接口类型相同的产品。
● 防雷器应与被保护设备的工作电压相匹配。
● 安装时请根据安装示意图所示连接,其中IN为输入,OUT为输出,PE为地线,输入端接外线,输出端与被保护设备的输入端相连接(其中黄铜类产品两端都可以接输入线或输出线),切勿接错。
● 防雷器的PE线必须与防雷系统的地线可靠连接,连接线要求短、粗、直。
● 防雷器在使用期间,应定期检测,如果出现故障,应及时维修或更换,以确保设备安全。

扫一扫咨询微信客服